IOTECH, INC.
WBK21
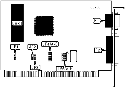
Card Type |
Multi-I/O |
Chipset |
Texas Instruments |
I/O Options |
Parallel port, serial port |
Data Bus |
16-bit ISA |
Card Size |
Full height, half length |
CONNECTIONS | |||
Function |
Label |
Function |
Label |
Serial port |
CN1 |
Parallel port |
CN2 |
USER CONFIGURABLE SETTINGS | |||
Setting |
Label |
Position | |
» |
Parallel port address is LPT1: |
JP1 |
Pins 1 & 2 closed |
Parallel port address is LPT2: |
JP1 |
Pins 2 & 3 closed | |
» |
Parallel port enabled |
JP2 |
Pins 1 & 2 closed |
Parallel port disabled |
JP2 |
Pins 2 & 3 closed | |
» |
Serial port enabled |
JP3 |
Pins 1 & 2 closed |
Serial port disabled |
JP3 |
Pins 2 & 3 closed |
SERIAL PORT ADDRESS SELECTION | ||||||
Setting |
JP4/A |
JP4/B |
JP4/C |
JP4/D |
JP4/E | |
» |
3F8h (COM1:) |
Closed |
Closed |
Open |
Open |
Open |
2F8h (COM2:) |
Open |
Closed |
Closed |
Open |
Open | |
3E8h (COM3:) |
Open |
Open |
Closed |
Closed |
Open | |
2E8h (COM4:) |
Open |
Open |
Open |
Closed |
Closed |
SERIAL PORT INTERRUPT SELECTION | ||||||
Setting |
JP5/A |
JP5/B |
JP5/C |
JP5/D |
JP5/E | |
2 |
Pins 1 & 2 |
Open |
Open |
Open |
Open | |
3 |
Open |
Pins 1 & 2 |
Open |
Open |
Open | |
» |
4 |
Open |
Open |
Pins 1 & 2 |
Open |
Open |
5 |
Open |
Open |
Open |
Pins 1 & 2 |
Open | |
7 |
Open |
Open |
Open |
Open |
Pins 1 & 2 | |
Note:Pins designated are in the closed position. |
PARALLEL PORT INTERRUPT SELECTION | ||||||
Setting |
JP5/A |
JP5/B |
JP5/C |
JP5/D |
JP5/E | |
2 |
Pins 2 & 3 |
Open |
Open |
Open |
Open | |
3 |
Open |
Pins 2 & 3 |
Open |
Open |
Open | |
4 |
Open |
Open |
Pins 2 & 3 |
Open |
Open | |
5 |
Open |
Open |
Open |
Pins 2 & 3 |
Open | |
» |
7 |
Open |
Open |
Open |
Open |
Pins 2 & 3 |
Note:Pins designated are in the closed position. |