LONGSHINE MICROSYSTEM, INC.
LCS-6812F
Card Type |
Floppy drive controller |
Chipset Controller |
Unidentified |
I/O Options |
Floppy drive interface (2) |
Maximum Dram |
N/A |
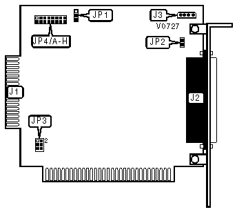
CONNECTIONS | |
Purpose |
Location |
Internal floppy interface |
J1 |
External floppy interface |
J2 |
DC power |
J3 |
I/O ADDRESS SELECT | |
Address |
JP1 |
Primary (3F0h-3F7h) |
Pins 1 & 2 closed |
Secondary (370h-377h) |
Pins 2 & 3 closed |
SYSTEM GROUND SELECT | |
Case Ground |
JP2 |
Connected |
Closed |
Not connected |
Open |
ROM ADDRESS SELECT | |
Address |
JP3 |
CA000h-CBFFFh |
Pins 1 & 2 closed |
CC000h-CDFFFh |
Pins 3 & 4 closed |
CE000h-CFFFFh |
Pins 5 & 6 closed |
FLOPPY TYPE SELECT | ||||||||
Drive |
Drive A |
Drive B |
Drive 3 |
Drive 4 | ||||
Type |
JP4/A |
JP4/B |
JP4/C |
JP4/D |
JP4/E |
JP4/F |
JP4/G |
JP4/H |
360KB |
Closed |
Closed |
Closed |
Closed |
Closed |
Closed |
Closed |
Closed |
1.2MB |
Closed |
Open |
Closed |
Open |
Closed |
Open |
Closed |
Open |
720KB |
Open |
Closed |
Open |
Closed |
Open |
Closed |
Open |
Closed |
1.44MB |
Open |
Open |
Open |
Open |
Open |
Open |
Open |
Open |