KOUWELL ELECTRONIC CORPORATION
KW-524E
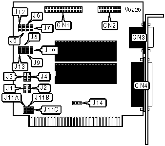
Card Type |
Multi I/O card |
Chipset/Controller |
Krueger company |
I/O Options |
Game port, parallel port, serial ports (2) |
Maximum DRAM |
N/A |
CONNECTIONS | |||
Purpose |
Location |
Purpose |
Location |
Serial port 2 |
CN1 |
Serial port 1 |
CN3 |
Game port |
CN2 |
Parallel port |
CN4 |
SERIAL PORT CONFIGURATION | |||||
Port 1 (CN3) |
J5 |
J6 |
J7 |
J12 | |
» |
COM1 |
Open |
Closed |
Open |
Open |
COM2 |
Open |
Open |
Closed |
Open | |
COM3 |
Closed |
Open |
Open |
Open | |
COM4 |
Open |
Open |
Open |
Closed | |
Disabled |
Open |
Open |
Open |
Open |
SERIAL PORT CONFIGURATION | |||||
Port 2 (CN1) |
J8 |
J9 |
J10 |
J13 | |
» |
COM2 |
Closed |
Open |
Open |
Open |
COM1 |
Open |
Closed |
Open |
Open | |
COM4 |
Open |
Open |
Closed |
Open | |
COM3 |
Open |
Open |
Open |
Closed | |
Disabled |
Open |
Open |
Open |
Open |
SERIAL PORT INTERRUPT SELECT | ||||||
Port 1 (CN3) |
Port 2 (CN1) |
J1 |
J2 |
J3 |
J4 | |
» |
IRQ4 |
IRQ3 |
Pins 1 & 2 |
Pins 2 & 3 |
Pins 1 & 2 |
Pins 2 & 3 |
IRQ5 |
IRQ2 |
Pins 2 & 3 |
Pins 1 & 2 |
Pins 2 & 3 |
Pins 1 & 2 |
PARALLEL PORT CONFIGURATION | ||||
LPT |
J11A |
J11B |
J11C | |
» |
1 |
Open |
Open |
Closed |
2 |
Open |
Closed |
Open | |
3 |
Closed |
Open |
Open |
PARALLEL PORT CONFIGURATION | ||
IRQ |
J14 | |
» |
7 |
Pins 1 & 2 closed |
5 |
Pins 2 & 3 closed |