GTEK, INC.
SMARTCARD-8
Card Type |
Serial card |
Chip Set |
Unidentified |
Maximum Onboard Memory |
Unidentified |
I/O Options |
Serial ports (8 RS-232) |
Hard Drives supported |
None |
Floppy drives supported |
None |
Data Bus |
16-bit ISA |
Card Size |
Half-length, full-height card |
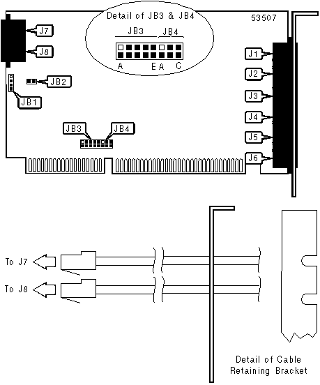
CONNECTIONS |
|||
Function |
Label |
Function |
Label |
Serial port via RJ-45 connector |
J1 |
Serial port via RJ-45 connector |
J5 |
Serial port via RJ-45 connector |
J2 |
Serial port via RJ-45 connector |
J6 |
Serial port via RJ-45 connector |
J3 |
Serial port via RJ-45 connector |
J7 |
Serial port via RJ-45 connector |
J4 |
Serial port via RJ-45 connector |
J8 |
BASE I/O ADDRESS SELECT |
|||
Setting |
JB4/A |
JB4/B |
JB4/C |
2E0h |
Open |
Open |
Open |
2E4h |
Closed |
Open |
Open |
210h |
Open |
Closed |
Open |
214h |
Closed |
Closed |
Open |
218h |
Open |
Open |
Closed |
21Ch |
Closed |
Open |
Closed |
220h |
Open |
Closed |
Closed |
N/A |
Closed |
Closed |
Closed |
SERIAL PORT INTERRUPT SELECTION |
|
IRQ |
JB3 |
IRQ2 |
JP3/E closed |
IRQ3 |
JP3/D closed |
IRQ5 |
JP3/C closed |
IRQ10 |
JP3/B closed |
IRQ12 |
JP3/A closed |
MISCELLANEOUS TECHNICAL NOTES |
To configure Guardian Watchdog™ system: a) Plug supplied jumper cable onto bottom two pins of JB1 and plug other end onto reset jumper of mother-board. b) Plug reset button cable onto top two pins of JB1. |