CREATIVE LABS, INC.
VIBRA 16
Card Type |
Sound card |
Chip Set |
Unidentified |
Maximum Onboard Memory |
Unidentified |
I/O Options |
Game/MIDI port, CD-ROM audio in (2), microphone in, line in, line out, speaker out, wavetable connector, PC speaker connector |
Data Bus |
16-bit ISA |
CONNECTIONS | |||
Function |
Label |
Function |
Label |
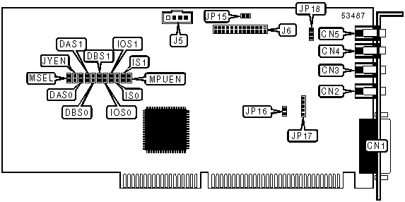
Game/MIDI port |
CN1 |
Line in |
CN5 |
Speaker out |
CN2 |
Audio in - CD-ROM |
J5 |
Line out |
CN3 |
Feature connector |
J6 |
Microphone in |
CN4 |
PC speaker connector |
JP15 |
USER CONFIGURABLE SETTINGS | |||
Function |
Label |
Position | |
» |
Factory configured - do not alter |
JP16 |
Closed |
» |
Factory configured - do not alter |
JP17 |
Unidentified |
» |
Factory configured - do not alter |
JP18 |
Unidentified |
» |
MPU I/O address 330h |
MSEL |
Closed |
MPU I/O address 300h |
MSEL |
Open | |
» |
MPU-401 enabled |
MPUEN |
Closed |
MPU-401 disabled |
MPUEN |
Open | |
» |
Joystick enabled |
JYEN |
Closed |
Joystick disabled |
JYEN |
Open |
BASE I/O ADDRESS | |||
Setting |
IOS0 |
IOS1 | |
» |
220h |
Closed |
Closed |
240h |
Open |
Closed | |
260h |
Closed |
Open | |
280h |
Open |
Open |
LOW DMA CHANNEL SELECTION | |||
Setting |
DAS0 |
DAS1 | |
DMA 0 |
Closed |
Closed | |
» |
DMA 1 |
Open |
Closed |
DMA 3 |
Closed |
Open | |
Low DMA disabled |
Open |
Open |
HIGH DMA CHANNEL SELECTION | |||
Setting |
DBS0 |
DBS1 | |
» |
DMA 5 |
Closed |
Closed |
DMA 6 |
Open |
Closed | |
DMA 7 |
Closed |
Open | |
Low DMA selected |
Open |
Open |
INTERRUPT SELECTION | |||
IRQ |
IS0 |
IS1 | |
2 |
Closed |
Closed | |
» |
5 |
Open |
Closed |
7 |
Closed |
Open | |
10 |
Open |
Open |