CREATIVE LABS, INC.

CD-ROM INTERFACE CARD (CT1810)

Card Type

CD-ROM Interface Card

Chip Set

Unidentified

Maximum Onboard Memory

Unidentified

I/O Options

CD-ROM interfaces (2)

Data Bus

8-bit ISA

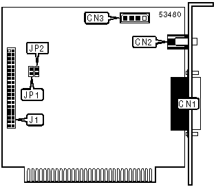
CONNECTIONS

Function

Label

Function

Label

CD-ROM interface - Panasonic/MKE

CN1

Audio in - CD-ROM (Panasonic)

CN3

Line out

CN2

CD-ROM interface

J1

USER CONFIGURABLE SETTINGS

Function

Label

Position

»

Interface I/O address 250h enabled

JP1

Closed

 

Interface I/O address 250h disabled

JP1

Open

 

Interface I/O address 260h enabled

JP1

Open

»

Factory configured - do not alter

JP2

Open