CREATIVE LABS, INC.

SOUNDBLASTER 16 SCSI-2

Card Type

Sound card

Chip Set

Creative Technology

I/O Options

CD-ROM interface, game/MIDI port, Line in, Speaker/Line out, CD Audio, microphone in, SCSI interface, PC speaker connector, volume control

Data Bus

16-bit ISA

Card Size

Three-quarter length, full-height card

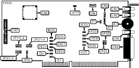
CONNECTIONS

Function

Label

Function

Label

Line in

CN1

Audio in CD-ROM (unidentified)

CN6

Microphone jack

CN2

SCSI interface

CN7

Speaker/Line out

CN3

Advanced signal processor socket

CN8

Game/MIDI port

CN4

Volume control

R1

Audio extension connector

CN5

PC Speaker connector

JP11

USER CONFIGURABLE SETTINGS

Function

Label

Position

»

Joystick enabled

JYEN

Closed

 

Joystick disabled

JYEN

Open

AUDIO INTERFACE DMA SELECT (8-BIT)

Function

DAS0

DAS1

 

Channel 0

Closed

Closed

»

Channel 1

Open

Closed

 

Channel 3

Closed

Open

AUDIO INTERFACE DMA SELECT (16-BIT)

Function

DBS0

DBS1

»

Channel 5

Closed

Closed

 

Channel 6

Open

Closed

 

Channel 7

Closed

Open

AUDIO INTERFACE IRQ SELECT

Setting

IS0

IS1

 

IRQ 2

Closed

Closed

»

IRQ 5

Open

Closed

 

IRQ 7

Closed

Open

 

IRQ 10

Open

Open

AUDIO INTERFACE BASE I/O ADDRESS SELECT

Address (Range)

IOS0

IOS1

»

220h

Closed

Closed

 

240h

Open

Closed

 

260h

Closed

Open

 

280h

Open

Open

MIDI PORT BASE I/O ADDRESS SELECT

Address (Range)

MSEL

»

330h

Closed

 

300h

Open

SCSI INTERFACE BASE I/O ADDRESS SELECT

Function

JP30

 

140h

Closed

»

340h

Open

SCSI INTERFACE IRQ SELECT

Setting

JP2/1

JP2/2

JP2/3

JP2/4

 

IRQ 9

Closed

Open

Open

Open

 

IRQ 10

Open

Closed

Open

Open

»

IRQ 11

Open

Open

Closed

Open

 

IRQ 12

Open

Open

Open

Closed

SCSI INTERFACE DMA SELECT

Setting

JP1/1

JP1/2

JP1/3

JP1/4

JP3/1

JP3/2

JP3/3

JP3/4

Channel 0

Closed

Open

Open

Open

Closed

Open

Open

Open

Channel 5

Open

Closed

Open

Open

Open

Closed

Open

Open

Channel 6

Open

Open

Closed

Open

Open

Open

Closed

Open

Channel 7

Open

Open

Open

Closed

Open

Open

Open

Closed

AUDIO OUTPUT AMPLIFIER

Function

OPSL

OPSR

»

Internal amplifier enabled

Pin 2-3 closed

Pin 2-3 closed

 

External amplifier enabled

Pin 1-2 closed

Pin 1-2 closed

EXTERNAL SPEAKER OUTPUT

Function

J1

J2

»

Left and right channel enabled

Closed

Pins 3 & 4 closed

 

Left channel enabled

Open

Pins 3 & 4 closed

 

Right channel enabled

Closed

Pins 3 &4 open