DIGI INTERNATIONAL, INC.
MC/4I, MC/8I (PART NO. 30001224)
Card Type |
Serial |
Processor |
80C186 |
Processor Speed |
Unidentified |
Chipset |
Unidentified |
Maximum Onboard Memory |
256KB dual-ported RAM |
I/O Options |
Serial ports (4 for MC/4i, 8 for MC/8i) |
Data Bus |
MCA |
Card Size |
Full height, full length |
CONNECTIONS | |||
Function |
Label |
Function |
Label |
RS-232, RS-422, or RS-485 serial ports via DB-78 connector |
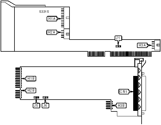
CN1 |
Header to H2A |
H2B |
Header to H1B |
H1A |
Header to H3B |
H3A |
Header to H1A |
H1B |
Header to H3A |
H3B |
Header to H2B |
H2A | ||
Note:Standard serial ports are provided on an included adapter cable. The types of serial ports provided are configured at the factory and are not user-configurable. |
USER CONFIGURABLE SETTINGS | |||
Setting |
Label |
Position | |
» |
Shared memory window is 32KB |
J1 |
Pins 2 & 3 closed |
Shared memory window is 128KB |
J1 |
Pins 1 & 2 closed |
EPROM SIZE SELECTION | ||
Setting |
J5 |
J6 |
16KB |
Pins 1 & 2 closed |
Pins 1 & 2 closed |
32KB |
Pins 1 & 2 closed |
Pins 1 & 2 closed |
64KB |
Pins 1 & 2 closed |
Pins 2 & 3 closed |
128KB |
Pins 2 & 3 closed |
Pins 2 & 3 closed |
Note:On RS-422 versions of this board, the jumpers are labeled J3 and J4, respectively. |