CARRY COMPUTER ENGINEERING CO., LTD.
PCD-XX-202
Card Type |
PCMCIA slot controller |
Chip Set |
Unidentified |
Maximum Onboard Memory |
N/A |
I/O Options |
PCMCIA slot (3) |
Data Bus |
16-bit ISA |
Floppy drives supported |
None |
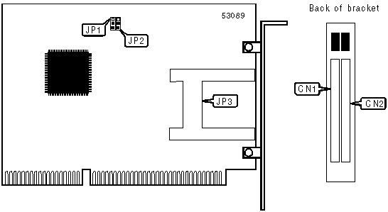
CONNECTIONS |
||||||
Function |
Label |
Function |
Label |
|||
PCMCIA slot 0 |
CN1 |
PCMCIA slot |
JP3 |
|||
PCMCIA slot 1 |
CN2 |
MULTI-CARD CONFIGURATION |
|||
Setting |
Slot # |
JP1 |
JP2 |
í Card is first in system |
0, 1 |
Pins 2 & 3 closed |
Pins 2 & 3 closed |
Card is second in system |
2, 3 |
Pins 2 & 3 closed |
Pins 1 & 2 closed |
Card is third in system |
4, 5 |
Pins 1 & 2 closed |
Pins 2 & 3 closed |
Card is fourth in system |
6, 7 |
Pins 1 & 2 closed |
Pins 1 & 2 closed |