CENTRAL POINT SOFTWARE, INC.
COPY II PC DELUXE OPTION BOARD
Card Type |
Floppy enhancer |
Chipset |
Central Point Software TransCopy 3 |
I/O Options |
Floppy drive daisy-chain ports |
Data Bus |
8-bit ISA |
Floppy Drives Supported |
Two 360KB, 720KB, 1.2MB, or 1.44MB drives |
CONNECTIONS | |||
Function |
Label |
Function |
Label |
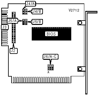
34-pin floppy drive connector |
J2 |
Card-edge floppy connector |
J3 |
DMA CHANNEL | ||||
Setting |
J6/A |
J6/B |
J6/C | |
DMA1 |
Pins 1 & 2 closed |
Pins 1 & 2 closed |
Pins 1 & 2 closed | |
» |
DMA2 |
Pins 2 & 3 closed |
Pins 2 & 3 closed |
Pins 2 & 3 closed |
FLOPPY CONNECTOR CONFIGURATION | |||||
J2 |
J3 |
J4/A |
J4/B |
J5/A |
J5/B |
From controller |
To drive |
Pins 1 & 2 |
Pins 1 & 2 |
Pins 1 & 2 |
Pins 1 & 2 |
To drive |
From controller |
Pins 2 & 3 |
Pins 2 & 3 |
Pins 2 & 3 |
Pins 2 & 3 |
Note:Pins designated are in the closed position. |