DECISION COMPUTER INTERNATIONAL CO., LTD.
PCCOM 8-BIT ISA 2-PORT RS422/485
Card Type |
Serial |
Chipset |
Unidentified |
I/O Options |
Serial ports (2) |
Data Bus |
8-bit ISA |
CONNECTIONS | |
Function |
Label |
Serial ports via DB-37 port |
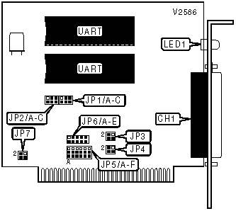
CH1 |
Note:Standard DB-25 serial ports are provided on an included adapter cable. |
SERIAL PORT ADDRESSES | |||
Port 1 Address |
Port 2 Address |
JP7 | |
» |
3F8h (COM1:) |
2F8h (COM2:) |
Pins 1 & 3, 2 & 4 closed |
3E8h (COM3:) |
2E8h (COM4:) |
Pins 1 & 3 closed | |
1A0h |
1A8h |
Pins 2 & 4 closed |
PORT 1 INTERRUPT | |||||||
Setting |
JP5/A |
JP5/B |
JP5/C |
JP5/D |
JP5/E |
JP5/F | |
IRQ2 |
Open |
Open |
Open |
Open |
Open |
Pins 2 & 3 | |
IRQ3 |
Open |
Open |
Open |
Open |
Pins 2 & 3 |
Open | |
» |
IRQ4 |
Open |
Open |
Open |
Pins 2 & 3 |
Open |
Open |
IRQ5 |
Open |
Open |
Pins 2 & 3 |
Open |
Open |
Open | |
IRQ6 |
Open |
Pins 2 & 3 |
Open |
Open |
Open |
Open | |
IRQ7 |
Pins 2 & 3 |
Open |
Open |
Open |
Open |
Open | |
Note:Pins designated are in the closed position. |
PORT 2 INTERRUPT | |||||||
Setting |
JP5/A |
JP5/B |
JP5/C |
JP5/D |
JP5/E |
JP5/F | |
IRQ2 |
Open |
Open |
Open |
Open |
Open |
Pins 1 & 2 | |
» |
IRQ3 |
Open |
Open |
Open |
Open |
Pins 1 & 2 |
Open |
IRQ4 |
Open |
Open |
Open |
Pins 1 & 2 |
Open |
Open | |
IRQ5 |
Open |
Open |
Pins 1 & 2 |
Open |
Open |
Open | |
IRQ6 |
Open |
Pins 1 & 2 |
Open |
Open |
Open |
Open | |
IRQ7 |
Pins 1 & 2 |
Open |
Open |
Open |
Open |
Open | |
Note:Pins designated are in the closed position. |
PORT 1 TRANSMIT DRIVER | |||
Setting |
JP1/A |
JP1/B |
JP1/C |
Always on |
Closed |
Open |
Open |
Follows RTS signal |
Open |
Closed |
Open |
Follows bit 0 of control register |
Open |
Open |
Closed |
PORT 2 TRANSMIT DRIVER | |||
Setting |
JP2/A |
JP2/B |
JP2/C |
Always on |
Closed |
Open |
Open |
Follows RTS signal |
Open |
Closed |
Open |
Follows bit 0 of control register |
Open |
Open |
Closed |
PORT 1 RECEIVE DRIVER | |
Setting |
JP3 |
Always on |
Pins 1 & 3 closed |
Follows bit 1 of control register |
Pins 2 & 4 closed |
PORT 2 RECEIVE DRIVER | |
Setting |
JP4 |
Always on |
Pins 1 & 3 closed |
Follows bit 1 of control register |
Pins 2 & 4 closed |
WAIT STATES | |||||
Setting |
JP6/A |
JP6/B |
JP6/C |
JP6/D |
JP6/E |
0 |
Closed |
Open |
Open |
Open |
Open |
1 |
Open |
Closed |
Open |
Open |
Open |
2 |
Open |
Open |
Closed |
Open |
Open |
3 |
Open |
Open |
Open |
Closed |
Open |
4 |
Open |
Open |
Open |
Open |
Closed |