DTK COMPUTER, INC.
PII-144
Card Type |
Multi-I/O |
Chipset/Controller |
Unidentified |
I/O Options |
Game port, parallel port, serial ports (2) |
Maximum DRAM |
N/A |
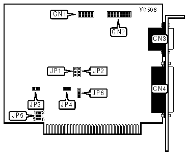
CONNECTIONS | |||
Purpose |
Location |
Purpose |
Location |
Serial port 2 |
CN1 |
Serial port 1 |
CN3 |
Game port |
CN2 |
Parallel port |
CN4 |
SERIAL PORT CONFIGURATION | ||||||
Port 1 |
Port 2 |
System Port |
JP1 |
JP2 |
JP5 | |
» |
COM1 |
COM2 |
N/A |
Pins 2 & 3 closed |
Pins 1 & 2 closed |
Pins 1 & 3, 4 & 6 closed |
COM2 |
COM1 |
N/A |
Pins 1 & 2 closed |
Pins 2 & 3 closed |
Pins 2 & 4, 3 & 5 closed | |
COM1 |
N/A |
COM2 |
Pins 2 & 3 closed |
N/A |
Pins 1 & 3 | |
COM2 |
N/A |
COM1 |
Pins 1 & 2 closed |
N/A |
Pins 3 & 5 |
PARALLEL PORT CONFIGURATION | ||
LPT |
JP3 | |
» |
LPT1 |
Open |
LPT2 |
Closed | |
Note: CN4 on the P11-144 card defaults to LPT2 with JP3 open and an IBM Monochrome/Printer Adapter card installed. CN4 uses LPT3 with JP3 closed and an IBM Monochrome /Printer Adapter card installed |
GAME PORT | ||
Setting |
JP4 | |
» |
Enabled |
Closed |
Disabled |
Open |
CLOCK/CALENDAR CONFIGURATION | ||
Setting |
JP6 | |
» |
Clock 1 |
Pins 2 & 3 closed |
Clock 2 |
Pins 1 & 2 closed |