DTK COMPUTER, INC.
PTI-209
Card Type |
Multi I/O card |
Chipset/Controller |
SIS |
I/O Options |
Game, parallel port, serial ports (2) |
Maximum DRAM |
N/A |
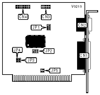
CONNECTIONS | |||
Purpose |
Location |
Purpose |
Location |
Parallel port |
CN1 |
Serial port 2 |
CN3 |
Serial port 1 |
CN2 |
Game port |
CN4 |
SERIAL PORT CONFIGURATION | |||
Port 1 (CN2) |
Port 2 (CN3) |
JP1 | |
» |
COM1 |
COM2 |
Pins 2 & 3, 4 & 5 closed |
COM2 |
COM1 |
Pins 1 & 2, 5 & 6 closed |
SERIAL PORT INTERRUPT SELECTION | |||
Port 1 (CN2) |
Port 2 (CN3) |
JP2 | |
» |
IRQ4 |
IRQ3 |
Pins 1 & 2, 5 & 6 closed |
IRQ3 |
IRQ4 |
Pins 2 & 3, 4 & 5 closed |
PARALLEL PORT INTERRUPT SELECTION (FOR AT COMPUTER) | |||
IRQ |
JP3 |
JP5 | |
» |
7 |
Pins 3 & 4 closed |
Open |
5 |
Pins 1 & 2 closed |
Closed |
PARALLEL PORT INTERRUPT SELECTION (FOR XT COMPUTER) | |||
IRQ |
JP3 |
JP5 | |
» |
7 |
Pins 3 & 4 closed |
Open |
5 |
Pins 3 & 4 closed |
Closed |
GAME PORT CONFIGURATION | ||
Setting |
JP4 | |
» |
Enabled |
Closed |
Disabled |
Open |