CREATIVE LABS, INC.
SOUNDBLASTER 16
Card Type |
Sound Card |
Chipset/Controller |
Creative Technology |
I/O Options |
CD-ROM interface game/MIDI port, line in, microphone jack, speaker, volume control |
Maximum DRAM |
N/A |
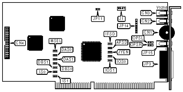
CONNECTIONS | |||
Purpose |
Location |
Purpose |
Location |
Volume control |
CN1 |
Game/MIDI port |
JP3 |
Microphone jack |
CN2 |
PC speaker connector |
JP11 |
Line in |
CN3 |
Audio extension |
JP14 |
CD-ROM interface connector |
CN4 |
Speaker jack |
JP15 |
CD audio cable connector |
J1 |
|
|
I/O ADDRESS CONFIGURATION | |||
Address |
I0S0 |
I0S1 | |
» |
220h |
Closed |
Closed |
240h |
Open |
Closed | |
260h |
Closed |
Open | |
280h |
Open |
Open |
BASE I/O ADDRESS SELECTION | ||
Address |
MSEL | |
» |
330h |
Closed |
300h |
Open |
INTERRUPT CONFIGURATION | |||
IRQ |
IS0 |
IS1 | |
» |
5 |
Open |
Closed |
2 |
Closed |
Closed | |
7 |
Closed |
Open | |
10 |
Open |
Open |
8-BIT DMA CHANNEL SELECTION | |||
Channel |
DAS0 |
DAS1 | |
» |
1 |
Open |
Closed |
0 |
Closed |
Closed | |
3 |
Closed |
Open |
16-BIT DMA CHANNEL SELECTION | |||
Channel |
DBS0 |
DBS1 | |
» |
5 |
Closed |
Closed |
6 |
Open |
Closed | |
7 |
Closed |
Open |
GAME PORT CONFIGURATION | ||
Setting |
JYEN | |
» |
Enabled |
Closed |
Disabled |
Open |
AUDIO OUTPUT AMPLIFIER SELECTION | |||
Setting |
OPSL |
OPSR | |
» |
Internal amplifier |
Pins 2 & 3 closed |
Pins 2 & 3 closed |
External amplifier |
Pins 1 & 2 closed |
Pins 1 & 2 closed |
ADVANCED SIGNAL PROCESSOR UPGRADE CHIP CONFIGURATION | |||
Setting |
IFSD |
APSD | |
» |
Not installed |
Closed |
Closed |
Installed |
Open |
Open |