ACQUTEK CORPORATION
PM-8002
Card Type |
Virtual memory card |
Chip Set |
None |
Maximum Onboard Memory |
1MB EPROM |
I/O Options |
Watch dog timer connector |
Data Bus |
8-bit ISA |
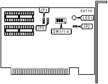
CONNECTIONS | |
Function |
Label |
Watch-dog timer reset connector |
JP2 |
Note: Watch-dog timer reset connector can be connected to mother board or CPU card’s reset connector. |
USER CONFIGURABLE SETTINGS | |||
Function |
Label |
Position | |
» |
Factory configured - do not alter |
JP1 |
Unidentified |
» |
Factory configured - do not alter |
JP3 |
Pins 1 & 2 closed |
DIAGNOSTIC LED | |
Function |
Label |
Watch dog timer status indicator |
L1 |
Note: When watch-dog timer is enabled, LED will start to blink. The user must refresh the watch-dog time every 6 to 42 seconds or the LED will stop blinking and the watch-dog timer will reset the system. |
BIOS ADDRESS SELECTION | ||
Address |
SW1/3 |
SW1/4 |
CC000h |
Off |
Off |
D0000h |
On |
Off |
D4000h |
Off |
On |
D8000h |
On |
On |
BASE I/O ADDRESS SELECTION | ||
Setting |
SW1/1 |
SW1/2 |
218h |
Off |
Off |
298h |
On |
Off |
318h |
Off |
On |
398h |
On |
On |
MISCELLANEOUS TECHNICAL NOTES |
The following 2 chip memory kits are available: MK-2E10 (256KB), MK-2E20 (512 KB), MK-2E40 (1MB) |