BRAIN BOXES
AT DUAL PORT RS422/485
Card Type |
Serial card |
Chip Set |
Unidentified |
Data Bus |
8-bit ISA |
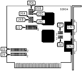
CONNECTIONS | |||
Function |
Label |
Function |
Label |
9-pin serial port 1 |
CN1 |
9-pin serial port 2 |
CN2 |
USER CONFIGURABLE SETTINGS | |||
Function |
Label |
Position | |
» |
Serial port 1 half duplex gate disabled |
J5A |
Pins 1 & 2 closed |
Serial port 1 half duplex gate enabled when RTS true |
J5A |
Pins 2 & 3 closed | |
» |
Serial port 1 half duplex RTS disabled |
J5B |
Pins 1 & 2 closed |
Serial port 1 half duplex RTS enabled |
J5B |
Pins 2 & 3 closed | |
» |
Serial port 1 half duplex CTS1 disabled |
J5C |
Pins 1 & 2 closed |
Serial port 1 half duplex CTS1 enabled |
J5C |
Pins 2 & 3 closed | |
» |
Serial port 2 half duplex gate disabled |
J6A |
Pins 1 & 2 closed |
Serial port 2 half duplex gate enabled when RTS true |
J6A |
Pins 2 & 3 closed | |
» |
Serial port 2 half duplex RTS disabled |
J6B |
Pins 1 & 2 closed |
Serial port 2 half duplex RTS enabled |
J6B |
Pins 2 & 3 closed | |
» |
Serial port 2 half duplex CTS1 disabled |
J6C |
Pins 1 & 2 closed |
Serial port 2 half duplex CTS1 enabled |
J6C |
Pins 2 & 3 closed |
SERIAL PORT ADDRESS SELECTION | ||
Setting |
J2 Port 1 |
J2 Port 2 |
COM1 |
Pins 1 & 2 closed |
Pins 2 & 3 closed |
COM2 |
Pins 4 & 5 closed |
Pins 5 & 6 closed |
COM3 |
Pins 7 & 8 closed |
Pins 8 & 9 closed |
COM4 |
Pins 10 & 11 closed |
Pins 11 & 12 closed |
COM5 |
Pins 13 & 14 closed |
Pins 14 & 15 closed |
COM6 |
Pins 16 & 17 closed |
Pins 17 & 18 closed |
COM7 |
Pins 19 & 20 closed |
Pins 20 & 21 closed |
COM8 |
Pins 22 & 23 closed |
Pins 23 & 24 closed |
SERIAL PORT 1 INTERRUPT SELECTION | ||
IRQ |
J3 | |
IRQ2 |
Pins 11 & 12 closed | |
» |
IRQ3 |
Pins 9 & 10 closed |
IRQ4 |
Pins 7 & 8 closed | |
IRQ5 |
Pins 5 & 6 closed | |
IRQ6 |
Pins 3 & 4 closed | |
IRQ7 |
Pins 1 & 2 closed | |
IRQ10 |
Pins 13 & 14 closed | |
IRQ11 |
Pins 15 & 16 closed | |
IRQ12 |
Pins 17 & 18 closed | |
IRQ14 |
Pins 19 & 20 closed | |
IRQ15 |
Pins 21 & 22 closed |
SERIAL PORT 2 INTERRUPT SELECTION | ||
IRQ |
J4 | |
IRQ2 |
Pins 11 & 12 closed | |
» |
IRQ3 |
Pins 9 & 10 closed |
IRQ4 |
Pins 7 & 8 closed | |
IRQ5 |
Pins 5 & 6 closed | |
IRQ6 |
Pins 3 & 4 closed | |
IRQ7 |
Pins 1 & 2 closed | |
IRQ10 |
Pins 13 & 14 closed | |
IRQ11 |
Pins 15 & 16 closed | |
IRQ12 |
Pins 17 & 18 closed | |
IRQ14 |
Pins 19 & 20 closed | |
IRQ15 |
Pins 21 & 22 closed |
SERIAL PORT 1 MULTIPLEX SELECTION | ||
Setting |
J7 | |
» |
Multiplex disabled |
Pins 1 & 3, 2 & 4 closed |
Signal transmitted & received |
Pins 3 & 5, 4 & 6 closed | |
Signals shorted together |
Pins 3 & 5, 4 & 6 closed |
SERIAL PORT 2 MULTIPLEX SELECTION | ||
Setting |
J8 | |
» |
Multiplex disabled |
Pins 1 & 3, 2 & 4 closed |
Signal transmitted & received |
Pins 3 & 5, 4 & 6 closed | |
Signals shorted together |
Pins 3 & 5, 4 & 6 closed |