ADLIB MULTIMEDIA, INC.

ASB 16 SPECIAL EDITION

Card Type

Sound card

Chip Set

Unidentified

Maximum Onboard Memory

N/A

I/O Options

MIDI/game port, CD audio in (4), microphone in, line in, line out, wavetable, Adlib media connector

Hard Drives supported

None

Floppy drives supported

None

Data Bus

8-bit ISA

Card Size

Half-length, full-height card

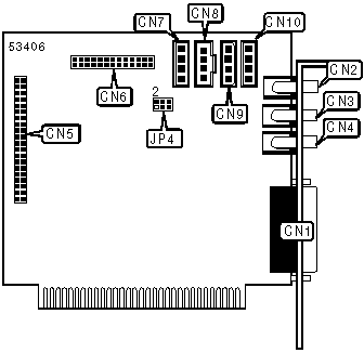
CONNECTIONS

Function

Label

Function

Label

MIDI/game port

CN1

Wavetable

CN6

Microphone in

CN2

CD audio in - IDE

CN7

Line in

CN3

CD audio in - Sony

CN8

Line out

CN4

CD audio in - Panasonic

CN9

Adlib media connector

CN5

CD audio in - Mitsumi

CN10

MICROPHONE TYPE CONFIGURATION

Setting

JP4

Secondary power for electret or condenser microphone (stereo recording)

Pins 1 & 2 closed

Stereo to mono microphone mixer (mono recording)

Pins 3 & 4 closed

Primary power for electret or condenser microphone (stereo recording)

Pins 5 & 6 closed