3COM CORPORATION
3COMIMPACT IQ (3C882)
Card Type |
ISDN TA |
Chipset |
Unidentified |
Error Correction/Compression |
STAC |
ISDN Transfer Rate |
56Kbps x 2/64Kbps x 2 |
ISDN Protocol |
V.120, PPP |
Switch Type |
5ESS, DMS100, EWSD, NI-1 |
Data Bus |
Serial |
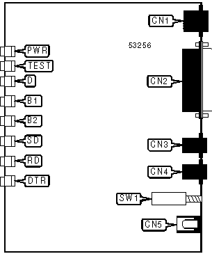
CONNECTIONS | |||
Function |
Label |
Function |
Label |
ISDN U interface |
CN1 |
Analog adapter 2 |
CN4 |
Serial port |
CN2 |
9V DC power in |
CN5 |
Analog adapter 1 |
CN3 |
Reset switch |
SW1 |
DIAGNOSTIC LED(S) | |||
LED |
Color |
Status |
Condition |
PWR |
Green |
On |
Power is on |
PWR |
Green |
Off |
Power is off |
TEST |
Green |
On |
TA failed last test |
TEST |
Green |
Blinking |
TA is executing test |
TEST |
Green |
Off |
TA is not executing test |
D |
Green |
On |
Signal is not synchronized or ISDN is not connected |
D |
Green |
Blinking |
Signal is synchronized but D-channel protocols not established |
D |
Green |
Off |
Signal is synchronized |
B1 |
Green |
On |
Data call connected on B1 channel |
B1 |
Amber |
On |
Voice call connected on B1 channel |
B1 |
Green |
Blinking |
TA is dialing data call on B1 channel |
B1 |
Amber |
Blinking |
TA is dialing voice call on B1 channel |
B1 |
N/A |
Off |
B1 channel is not connected |
DIAGNOSTIC LED(S) (CON’T) | |||
LED |
Color |
Status |
Condition |
B2 |
Green |
On |
Data call connected on B2 channel |
B2 |
Amber |
On |
Voice call connected on B2 channel |
B2 |
Green |
Blinking |
TA is dialing data call on B2 channel |
B2 |
Amber |
Blinking |
TA is dialing voice call on B2 channel |
B2 |
N/A |
Off |
B2 channel is not connected |
SD |
Green |
On |
TA is transmitting data |
SD |
Green |
Off |
TA is not transmitting data |
RD |
Green |
On |
TA is receiving data |
RD |
Green |
Off |
TA is not receiving data |
TR |
Green |
On |
DTR signal is high |
TR |
Green |
Off |
DTR signal is low |
SUPPORTED STANDARD COMMANDS |
Basic AT Commands |
+++ |
A, E, H, O, Q, V, W, Z |
&C, &D, &F, &W |
Extended AT Commands |
\Q, \T |
S-Registers |
S0 |
Note:See MHI help file for complete information. |
Proprietary AT Command Set
ANALOG ADAPTER CALL ROUTING | |||
Format: |
AT [cmds] S63= n [cmds] | ||
Default: |
15 | ||
Range: |
0 - 15 | ||
Description: |
Selects which analog adapters may answer which calls. | ||
Bit |
Value |
Function | |
0 |
0 1 |
Calls to analog adapter 1 may not be answered by analog adapter 1. Calls to analog adapter 1 may be answered by analog adapter 1. | |
1 |
0 1 |
Calls to analog adapter 1 may not be answered by analog adapter 2. Calls to analog adapter 1 may be answered by analog adapter 2. | |
2 |
0 1 |
Calls to analog adapter 2 may not be answered by analog adapter 1. Calls to analog adapter 2 may be answered by analog adapter 1. | |
3 |
0 1 |
Calls to analog adapter 2 may not be answered by analog adapter 2. Calls to analog adapter 2 may be answered by analog adapter 2. |
ANSWER DELAY | ||
Type: |
Register | |
Format: |
AT [cmds] S75= n [cmds] | |
Description: |
Selects whether the TA waits to answer an incoming call. | |
Command |
Function | |
» |
S75=0 |
TA does not wait to answer an incoming call. |
S75=1 |
TA waits two seconds to answer an incoming call. |
CALL TYPE | ||
Type: |
Register | |
Format: |
AT [cmds] S61= n [cmds] | |
Description: |
Selects whether the TA will force a particular call type. | |
Command |
Function | |
» |
S61=0 |
D command dials in standard mode and DD command dials in 56Kbps permissive mode. |
S61=1 |
Both commands dial in 56Kbps permissive mode. | |
S61=2 |
Both commands dial in standard mode. |
CALLER ID - ANALOG ADAPTER 1 | |
Type: |
Register (read-only) |
Format: |
AT [cmds] S65? [cmds] |
Description: |
Displays the Caller ID information for analog adapter 1. |
CALLER ID - ANALOG ADAPTER 2 | |
Type: |
Register (read-only) |
Format: |
AT [cmds] S66? [cmds] |
Description: |
Displays the Caller ID information for analog adapter 1. |
CALLER ID - ISDN | |
Type: |
Register (read-only) |
Format: |
AT [cmds] S67? [cmds] |
Description: |
Displays the Caller ID information for the ISDN line. |
CHALLENGE HANDSHAKE AUTHENTICATION PROTOCOL | ||
Type: |
Register | |
Format: |
AT [cmds] S84= n [cmds] | |
Description: |
Selects whether the TA will attempt to use CHAP. | |
Command |
Function | |
S84=0 |
CHAP negotiation enabled. | |
» |
S84=1 |
CHAP negotiation disabled. |
COMPRESSION | |
Type: |
Configuration |
Format: |
AT [cmds] %C n [cmds] |
Description: |
Selects whether the TA will use data compression. |
Command |
Function |
%C0 |
Data compression disabled. |
%C2 |
Data compression enabled. |
DIAL - STANDARD | |
Type: |
Immediate |
Format: |
AT [cmds] D <#> [cmds] |
Description: |
Dials the number indicated to make a standard ISDN connection. |
DIAL - PERMISSIVE | |
Type: |
Immediate |
Format: |
AT [cmds] DD <#> [cmds] |
Description: |
Dials the number indicated to make a 56Kbps permissive connection. |
DISPLAY CONFIGURATION AND STATISTICS | |
Type: |
Immediate |
Format: |
AT [cmds] \S [cmds] |
Description: |
Displays the settings of all commands and statistics about the current connection. |
DISPLAY FIRMWARE VERSION | |
Type: |
Immediate |
Format: |
AT [cmds] %V [cmds] |
Description: |
Displays the current firmware version. |
DISPLAY INFORMATION | |
Type: |
Immediate |
Format: |
AT [cmds] I n [cmds] |
Description: |
Displays information requested about the TA. |
Command |
Function |
I0 |
Displays model number. |
I1 |
Displays ROM checksum. |
I2 |
Tests and reports ROM checksum. |
I3 |
Displays model and version. |
DISPLAY REGISTERS | |
Type: |
Immediate |
Format: |
AT [cmds] %R n [cmds] |
Description: |
Displays the settings of all status registers. |
DISPLAY SERIAL NUMBER | |
Type: |
Immediate |
Format: |
AT [cmds] %S n [cmds] |
Description: |
Displays the serial number of the TA. |
DYNAMIC BANDWIDTH ALLOCATION | ||
Type: |
Register | |
Format: |
AT [cmds] S70= n [cmds] | |
Description: |
Selects whether dynamic bandwidth allocation will be used to allow simultaneous data and voice calls. | |
Command |
Function | |
S70=0 |
Dynamic bandwidth allocation disabled. | |
» |
S70=1 |
Dynamic bandwidth allocation enabled. |
ENDPOINT DISCRIMINATOR | |
Type: |
Register |
Format: |
AT [cmds] S83= nnnn [cmds] |
Description: |
Sets the endpoint discriminator address for multipoint PPP systems. Up to twenty numbers may be specified. |
ENDPOINT DISCRIMINATOR CLASS | ||
Type: |
Configuration | |
Format: |
AT [cmds] S82= n [cmds] | |
Description: |
Sets the endpoint discriminator class for multipoint PPP systems. | |
Command |
Function | |
S82=1 |
User-defined address. | |
S82=2 |
IP address. | |
S82=3 |
802.1 MAC address. | |
S82=4 |
PPP magic number block. | |
» |
S82=5 |
Public Switched Network Directory number. |
LOCAL SERIAL PORT SPEED | ||
Type: |
Configuration | |
Format: |
AT [cmds] $B n [cmds] | |
Description: |
Sets the speed that the TA will communicate with the DTE. | |
Command |
Function | |
» |
$B0 |
Auto-detects current serial port speed. |
$B1200 |
Sets the serial port to 1200bps. | |
$B2400 |
Sets the serial port to 2400bps. | |
$B4800 |
Sets the serial port to 4800bps. | |
$B9600 |
Sets the serial port to 9600bps. | |
$B19200 |
Sets the serial port to 19.2Kbps. | |
$B38400 |
Sets the serial port to 38.4Kbps. | |
$B57600 |
Sets the serial port to 57.6Kbps. | |
$B115200 |
Sets the serial port to 115.2Kbps. | |
$B230400 |
Sets the serial port to 230.4Kbps. |
LINE SPEED | ||
Type: |
Register | |
Format: |
AT [cmds] S60= n [cmds] | |
Description: |
Selects the line speed that the TA will attempt to connect at. | |
Command |
Function | |
» |
S60=56 |
TA will attempt to connect at 56Kbps. |
S60=64 |
TA will attempt to connect at 64Kbps. |
MULTILINK PPP | ||
Type: |
Register | |
Format: |
AT [cmds] S80= n [cmds] | |
Description: |
Selects whether the TA will use Multilink PPP. | |
Command |
Function | |
S80=0 |
Multilink PPP disabled. | |
» |
S80=1 |
Multilink PPP enabled. |
PHONE NUMBER 1 | |
Type: |
Register |
Format: |
AT [cmds] S51= <#> [cmds] |
Description: |
Sets the TA’s first phone number. |
PHONE NUMBER 2 | |
Type: |
Register |
Format: |
AT [cmds] S53= <#> [cmds] |
Description: |
Sets the TA’s first phone number. |
PROTOCOL - B-CHANNEL | ||
Type: |
Register | |
Format: |
AT [cmds] S71= n [cmds] | |
Description: |
Selects the protocol the TA will use on the B channels. | |
Command |
Function | |
» |
S71=0 |
Auto-select common protocol. |
S71=1 |
TA will use PPP conversion. | |
S71=2 |
TA will use V.120 |
SERVICE PROFILE IDENTIFIER 1 | |
Type: |
Register |
Format: |
AT [cmds] S52= <#> [cmds] |
Description: |
Sets the TA’s first SPID. |
SERVICE PROFILE IDENTIFIER 2 | |
Type: |
Register |
Format: |
AT [cmds] S54= <#> [cmds] |
Description: |
Sets the TA’s second SPID. |
SWITCH TYPE | ||
Type: |
Register | |
Format: |
AT [cmds] S50= n [cmds] | |
Description: |
Selects the type of IDSN switch the TA is connected to. | |
Command |
Function | |
» |
0 |
Unknown switch type |
1 |
AT&T 5ESS custom switch type. | |
3 |
NI-1/AT&T 5ESS switch type. | |
6 |
NI-1/National Telecom NI-1 or Siemens EWSD switch type. |
TERMINAL ENDPOINT IDENTIFIER 1 | |
Type: |
Register (read-only) |
Format: |
AT [cmds] S55? [cmds] |
Description: |
Displays the first TEI assigned by the ISDN switch. A value of 255 indicated that the switch did not assign a TEI. |
TERMINAL ENDPOINT IDENTIFIER 1 STATUS | |
Type: |
Register (read-only) |
Format: |
AT [cmds] S57? [cmds] |
Description: |
Returns a value indicating the status of the first TEI. |
Value |
Meaning |
0 |
TA has not attempted to initialize with SPID 1. |
1 |
TA succeeded in initializing with SPID 1. |
2 |
TA failed in initializing with SPID 1. |
TERMINAL ENDPOINT IDENTIFIER 2 | |
Type: |
Register (read-only) |
Format: |
AT [cmds] S56? [cmds] |
Description: |
Displays the second TEI assigned by the ISDN switch. A value of 255 indicated that the switch did not assign a TEI. |
TERMINAL ENDPOINT IDENTIFIER 2 STATUS | |
Type: |
Register (read-only) |
Format: |
AT [cmds] S58? [cmds] |
Description: |
Returns a value indicating the status of the second TEI. |
Value |
Meaning |
0 |
TA has not attempted to initialize with SPID 2. |
1 |
TA succeeded in initializing with SPID 2. |
2 |
TA failed in initializing with SPID 2. |
U INTERFACE STATUS | |
Type: |
Register (read-only) |
Format: |
AT [cmds] S59? [cmds] |
Description: |
Returns a value indicating the status of the U interface. |
Command |
Function |
0 |
U interface is not synchronized. |
1 |
U interface is synchronized. |
V.120 FRAME TYPE | ||
Type: |
Register | |
Format: |
AT [cmds] S73= n [cmds] | |
Description: |
Selects the frame type that the TA will use when in V.120 mode. | |
Command |
Function | |
» |
S73=0 |
TA will use I frames. |
S73=1 |
TA will use UI frames. |
V.120 MAXIMUM FRAME SIZE | |
Type: |
Register |
Format: |
AT [cmds] S74= n [cmds] |
Default: |
256 |
Range: |
240 - 256 |
Unit: |
1 byte |
Description: |
Selects the maximum frame size used for V.120 mode. |
Note: Adtran ISDN uses a maximum frame size of 253 bytes. |