WESTERN DIGITAL CORPORATION

WD1002A-FOX

Data bus:

8-bit, ISA

Size:

Half-length, half-height card

Hard drive supported:

N/A

Floppy drives supported:

Two 360KB, 1.2MB drives or floppy tape drives

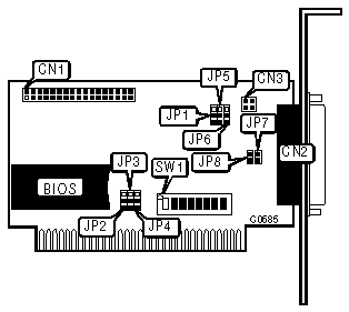
CONNECTIONS

Function

Location

34-pin connector - floppy drive internal

CN1

37-pin floppy disk drive port

CN2

4-pin power suppy for external drives

CN3

USER CONFIGURABLE SETTINGS

Function

Location

Setting

High density ground return for external drive

JP1

pins 1 & 2 closed

Standard ground return for external drive

JP1

pins 2 & 3 closed

Primary address - (320 - 323)

JP4

pins 1 & 2 closed

Secondary address - (328 - 32B)

JP4

pins 2 & 3 closed

+5V tied to (CN2) pin 4 for external drive

JP5

pins 1 & 2 closed

No connection via pin 4 for external drive

JP5

pins 2 & 3 closed

+12V tied to (CN2) pin 1 for external drive

JP6

pins 1 & 2 closed

No connection via pin 1 for external drive

JP6

pins 2 & 3 closed

Dual speed spinde option - enabled

JP7

closed

Dual speed spinde option - disabled

JP7

open

Ground tied to chassis ground - enabled

JP8

closed

Ground tied to chassis ground - disabled

JP8

open

BIOS ADDRESS

Setting

JP2

JP3

EE000 - EFFFFh

pins 2 & 3 closed

Pins 2 & 3 closed

CE000 - CFFFFh

pins 2 & 3 closed

pins 1 & 2 closed

EC000 - EDFFFh

pins 1 & 2 closed

pins 2 & 3 closed

CC000 - CDFFFh

pins 1 & 2 closed

pins 1 & 2 closed

DRIVE 1 TYPE SELECT

Setting

SW1/1

SW1/2

360KB

off

off

1.2MB

off

on

720KB

on

off

1.44MB

on

on

DRIVE 2 TYPE SELECT

Setting

SW1/3

SW1/4

360KB

off

off

1.2MB

off

on

720KB

on

off

1.44MB

on

on

DRIVE 3 TYPE SELECT

Setting

SW1/5

SW1/6

360KB

off

off

1.2MB

off

on

720KB

on

off

1.44MB

on

on

DRIVE 4 TYPE SELECT

Setting

SW1/7

SW1/8

360KB

off

off

1.2MB

off

on

720KB

on

off

1.44MB

on

on