SYMBIOS LOGIC
SYM8751SP
Card Type |
Hard drive controller card |
Hard Drives supported |
Up to 15 SCSI devices |
Floppy drives supported |
None |
Data Bus |
32-bit PCI |
Card Size |
Half-length, half-height card |
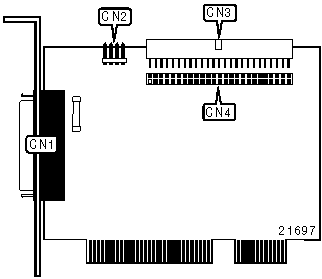
CONNECTIONS | |||
Function |
Location |
Function |
Location |
68-pin SCSI connector - external |
CN1 |
68-pin SCSI connector - internal |
CN3 |
4-pin connector - drive active LED |
CN2 |
50-pin SCSI connector - internal |
CN4 |