SCIENTIFIC MICRO SYSTEMS
OMTI 5520A, OMTI 5527A
Data bus: 8-bit, ISA
Size: Half-length, full-height card
Hard drives supported: OMTI 5520A:Two MFM ST506/ST412 drives
OMTI 5527A:Two RLL ST506/ST412 drives
Floppy drives supported None
Maximum heads/cyl.: 16 heads and 2048 cylinders
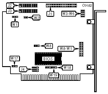
CONNECTIONS | |
Function |
Location |
34-pin control cable connector-hard drive |
J1 |
20-pin data cable connector-drive 0 |
J2 |
20-pin data cable connector-drive 1 |
J3 |
6-pin DC power connector |
J4 |
USER CONFIGURABLE SETTINGS | |||
Function |
Location |
Setting | |
» |
BIOS enabled |
W7 |
open |
BIOS disabled |
W7 |
closed | |
» |
BIOS base address is C8000h |
W8 |
open |
BIOS base address is CA000h |
W8 |
closed | |
» |
Factory configured - do not alter |
W9 |
N/A |
» |
Factory configured - do not alter |
W10 |
N/A |
» |
Factory configured - do not alter |
W11 |
N/A |
» |
Drive 0 soft sectored |
W11 |
open |
Drive 0 hard sectored |
W11 |
closed | |
» |
Factory configured - do not alter |
W12 |
all |
» |
Drive 1 soft sectored |
W14 |
open |
Drive 1 hard sectored |
W14 |
closed | |
» |
Not documented |
W17 to 19 |
N/A |
I/O PORT ADDRESS | |||
Address |
Jumper W5 |
Jumper W6 | |
» |
320h |
open |
open |
324h |
closed |
open | |
328h |
open |
closed | |
32Ch |
closed |
closed |
MISCELLANEOUS TECHNICAL NOTES |
W1 through W4 are used to configure the drive type. To support most of the drives on the market, there have been several different BIOS's offered. The different BIOS drive type tables are listed with the 5510; The jumper settings are the same for the 5520A and the 5527A. |