MYLEX CORPORATION
BT-948
Card Type |
Hard drive controller card |
Hard Drives supported |
Up to 7 SCSI devices |
Floppy drives supported |
None |
Data Bus |
32-bit PCI |
Card Size |
Half-length, full-height card |
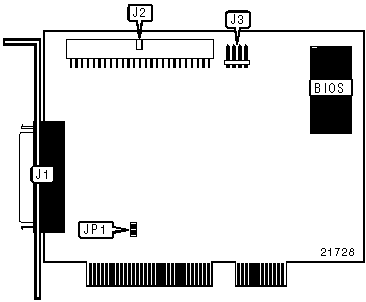
CONNECTIONS | |||
Function |
Location |
Function |
Location |
68-pin SCSI connector - external |
J1 |
4-pin connector - drive active LED |
J3 |
50-pin SCSI connector - internal |
J2 |
USER CONFIGURABLE SETTINGS | |||
Function |
Label |
Position | |
» |
Factory configured - do not alter |
JP1 |
Unidentified |