NCL AMERICA
NCL 5027
Data bus: 8-bit, ISA
Size: Half-length, full-height card
Hard drives supported: Two ST506/412 MFM drives
Floppy drives supported: None
Sector Interleave: 6:1
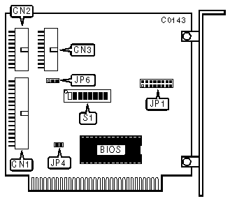
CONNECTIONS | |
Function |
Location |
34-pin control cable connector |
CN1 |
20-pin data cable connector-drive 0 |
CN2 |
20-pin data cable connector-drive 1 |
CN3 |
USER CONFIGURABLE SETTINGS | |||
Function |
Location |
Setting | |
» |
BIOS enabled |
JP1/all |
closed |
BIOS disabled |
JP1/all |
open | |
» |
Speed Recalibration set to slow |
JP4 |
closed |
Speed Recalibration set to fast or normal |
JP4 |
open | |
» |
Head select set up to 8 heads |
JP6 |
pins 1 & 2 closed |
Head select set up to 16 heads |
JP6 |
pins 2 & 3 closed |
BIOS DRIVE TYPE TABLE FOR THE NCL5027 | |||||||||
Hd/Cyl |
# |
S1/1 |
S1/2 |
S1/3 |
S1/4 |
S1/5 |
S1/6 |
S1/7 |
S1/8 |
7/699 |
1 |
on |
on |
on |
off |
N/A |
N/A |
N/A |
on |
6/612 |
1 |
on |
on |
off |
off |
N/A |
N/A |
N/A |
off |
2 |
N/A |
N/A |
N/A |
off |
on |
on |
off |
off | |
4/640 |
1 |
on |
off |
on |
off |
N/A |
N/A |
N/A |
off |
2 |
N/A |
N/A |
N/A |
off |
on |
off |
on |
off | |
4/612 |
1 |
on |
off |
on |
off |
N/A |
N/A |
N/A |
off |
2 |
N/A |
N/A |
N/A |
off |
on |
off |
on |
off | |
2/612 |
1 |
off |
on |
on |
off |
N/A |
N/A |
N/A |
off |
2 |
N/A |
N/A |
N/A |
off |
off |
on |
on |
off | |
2/306 |
1 |
off |
on |
off |
off |
N/A |
N/A |
N/A |
off |
2 |
N/A |
N/A |
N/A |
off |
off |
on |
off |
off | |
4/320 |
1 |
off |
off |
on |
off |
N/A |
N/A |
N/A |
off |
2 |
N/A |
N/A |
N/A |
off |
off |
off |
on |
off | |
4/306 |
1 |
off |
off |
off |
off |
N/A |
N/A |
N/A |
off |
2 |
N/A |
N/A |
N/A |
off |
off |
off |
off |
off | |
6/640 |
1 |
on |
on |
on |
on |
N/A |
N/A |
N/A |
off |
2 |
N/A |
N/A |
N/A |
on |
on |
on |
on |
off | |
5/733 |
1 |
on |
on |
off |
on |
N/A |
N/A |
N/A |
off |
2 |
N/A |
N/A |
N/A |
on |
on |
on |
off |
off | |
7/733 |
1 |
on |
off |
on |
on |
N/A |
N/A |
N/A |
on |
5/830 |
1 |
on |
off |
off |
on |
N/A |
N/A |
N/A |
on |
7/830 |
1 |
off |
on |
on |
on |
N/A |
N/A |
N/A |
on |
10/830 |
1 |
off |
on |
off |
on |
N/A |
N/A |
N/A |
on |
15/918 |
1 |
off |
off |
on |
on |
N/A |
N/A |
N/A |
on |
5/977 |
1 |
off |
off |
off |
on |
N/A |
N/A |
N/A |
on |
Note:SW1/switch 8 must be "on" before power-up to enable the drive splitting feature. |
MISCELLANEOUS TECHNICAL NOTES |
Jumper JP2 is the port address jumper and is hard soldered at the factory to 320h. Jumpers JP3, 5, 7, 8, and 9 are Not used and their exact location is unknown. |