ARCO COMPUTER PRODUCTS
IDE I/O
Data Bus |
16-bit ISA |
Card Size |
Half-length, full-height card |
Hard Drives supported |
Two IDE (AT) drives |
Floppy drives supported |
Two 360KB, 720KB, 1.2MB, or 1.44MB drives |
CONNECTIONS | |||
Function |
Location |
Function |
Location |
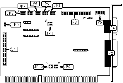
40-pin IDE(AT) connector |
J1 |
9-pin serial port 1 - external |
P4 |
25-pin parallel port - external |
P2 |
10-pin serial port 2 - internal |
P5 |
34-pin cable connector - floppy drive |
P3 |
2-pin connector - drive active LED |
LED |
USER CONFIGURABLE SETTINGS | |||
Function |
Label |
Position | |
» |
IDE(AT) primary address enabled |
JP8 |
Pins 1 & 3, 4 & 6 closed |
IDE(AT) interface disabled |
JP8 |
Pins 3 & 5, 4 & 6 closed | |
» |
Parallel port IRQ 7 select |
JP9 |
Pins 1 & 2 closed |
Parallel port IRQ 5 select |
JP9 |
Pins 3 & 4 closed |
FDD I/O ADDRESS SELECTION | ||
Setting |
IRQ |
JP6 |
Primary (3F0-3F7h) |
6 |
Pins 1 & 3, 4 & 6 closed |
Secondary (370-377h) |
6 |
Pins 1 & 3, 2 & 4 closed |
Disabled |
None |
Pins 3 & 5, 4 & 6 closed |
PARALLEL PORT ADDRESS SELECTION | |
Setting |
JP7 |
LPT1 (3BCh) |
Pins 2 & 4, 3 & 5 closed |
LPT2 (378h) |
Pins 1 & 3, 4 & 6 closed |
LPT3 (278h) |
Pins 1 & 3, 2 & 4 closed |
Disabled |
Pins 3 & 5, 4 & 6 closed |
SERIAL PORT 1 ADDRESS SELECTION | |
Setting |
JP4 |
COM1 (3F8h) |
Pins 1 & 3, 2 & 4 closed |
COM2 (2F8h) |
Pins 1 & 3, 4 & 6 closed |
COM3 (3E8h) |
Pins 2 & 4, 3 & 5 closed |
Disabled |
Pins 3 & 5, 4 & 6 closed |
SERIAL PORT 2 ADDRESS SELECTION | |
Setting |
JP5 |
COM1 (3F8h) |
Pins 1 & 3, 4 & 6 closed |
COM2 (2F8h) |
Pins 1 & 3, 2 & 4 closed |
COM4 (2E8h) |
Pins 2 & 4, 3 & 5 closed |
Disabled |
Pins 3 & 5, 4 & 6 closed |
SERIAL PORT IRQ SELECTION | ||
Com Port 1 |
Com Port 2 |
JP10 |
IRQ4 |
IRQ3 |
Pins 1 & 2, 3 & 4 closed |
IRQ3 |
IRQ4 |
Pins 1 & 3, 2 & 4 closed |
PARALLEL PORT MODE SELECTION | |
Setting |
JP1 |
Standard |
Pins 3 & 5, 4 & 6 closed |
EPP |
Pins 3 & 5, 2 & 4 closed |
ECC + EPP |
Pins 1 & 3, 4 & 6 closed |
ECP |
Pins 1 & 3, 2 & 4 closed |