ACCULOGIC, INC.
SIDE-1
| |
Data bus: |
8-bit, ISA |
Size: |
Half-length, full-height card |
Hard drives supported: |
One IDE(XT) drive |
Floppy drives supported: |
None |
CONNECTIONS | |
Function |
Location |
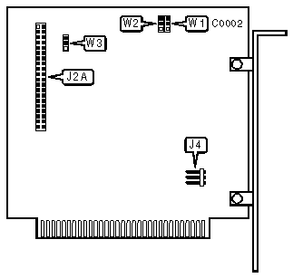
40-pin XT Interface (IDE) connector |
J2A |
5-pin connector-DC power |
J4 |
USER CONFIGURABLE SETTINGS | |||
Function |
Location |
Setting | |
» |
BIOS address is C800h |
W1 |
pins 2 & 3 closed |
BIOS address is CA00h |
W1 |
pins 1 & 2 closed | |
» |
I/O port address is 320h |
W2 |
pins 1 & 2 closed |
I/O port address is 324h |
W2 |
pins 2 & 3 closed | |
» |
Interrupt Request is IRQ5 |
W3 |
pins 1 & 2 closed |
Interrupt Request is IRQ2* |
W3 |
pins 2 & 3 closed |
BIOS SUPPORTED CONFIGURATIONS | ||
Formatted Capacity |
Maximum Heads |
Cylinders |
20 MB |
2 |
782 |
30 MB |
3 |
782 |
40 MB |
4 |
782 |
MISCELLANEOUS TECHNICAL NOTES |
This controller has an on-board low-level format program. To enter the program, run DEBUG utility supplied with DOS and enter G=C800:5 at the prompt. This controller supports 17 SPT translation. *If IRQ2 is selected the drive must also be set to IRQ2 (See Volume 2: Drive Settings) |